特性
汽车继电器和保险片都是汽车电路中不可或缺的安全元件,它们共同维护着汽车电路的安全和稳定运行,确保汽车在各种工况下都能正常工作,提高了汽车的安全性和可靠性。
概述
| 型号规格 | J1204D/1205D、J2404D/2405D |
| 触点形式 | 1A/1B/1C |
| 触点材料 | 银合金 |
| 额定通断电流 | 80A |
| 接触电阻 | 50m |
| 线圈电压 | 12V-24VDC |
| 线圈功耗 | 1.8W |
| 触点间抗电强度 | 550V AC |
| 触点与线圈间抗电强度 | 750V AC |
| 绝缘电阻 | 100m |
| 电器寿命 | 100,000 times |
| 机械寿命 | 10,000,000 times |
| 使用环境温度 | -40℃ ~+85℃ |
| 吸合时间 | 10ms |
| 释放时间 | 5ms |
| 引出端形式 | 插式、焊接式 |
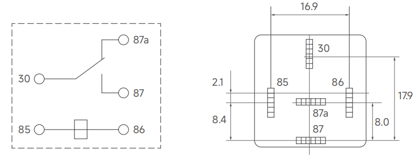
| 外形尺寸 | 28x31.2x25mm |
| 外壳形式 | 平壳、铁靠背、塑料靠背 |
| 适用车型 | 12V (4 插 5 插 ) 24V (4 插 5 插 )通用 |
继电器尺寸图
